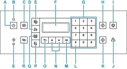
Панель управления

- A: кнопка ВКЛ (ON)
-
Отключает питание устройства. Перед включением питания убедитесь, что крышка сканера закрыта.
- B: Индикатор ВКЛ (ON)
- Мигает, а затем загорается, когда включено питание.
- C: Кнопка МЕНЮ (MENU)
- Отображает экран Меню копирования (Copy menu), Меню сканирования (Scan menu) или Меню ФАКС (Fax menu).
- D: Кнопка СКАНИРОВАТЬ (SCAN)
- Переводит принтер в режим сканирования.
- E: Кнопка КОПИРОВАТЬ (COPY)
- Переводит принтер в режим копирования.
- F: ЖК-дисплей (жидкокристаллический дисплей)
- Служит для вывода сообщений, элементов меню и состояния выполнения операций.
- G: Цифровые кнопки
- Используются для ввода числовых значений, таких как число копий, а также телефонных номеров и символов.
- H: Кнопка Черный (Black)
- Запускает копирование, сканирование и отправку факсов в черно-белом режиме.
- I: кнопка Стоп (Stop)
- Отмена выполняемой операции печати, копирования, сканирования или передачи/приема факса.
- J: Индикатор Аварийный сигнал (Alarm)
- При возникновении ошибки индикатор светится или мигает.
- K: Кнопка Цвет (Color)
- Запускает цветное копирование, сканирование, отправку факсов и т. п.
- L: Кнопка Тон (Tone)
- Служит для временного перехода в тональный режим набора, если принтер подключен к линии с импульсным набором.
- M: Кнопка OK
- Завершает выбор меню или элемента настройки. Эта кнопка также используется для устранения ошибки и извлечения документов в УАПД (устройство автоматической подачи документов).
- N: Кнопки
и 
-
Служат для выбора элемента настройки. Эти кнопки также используются для ввода символов.
- O: Кнопка Назад (Back)
- Возврат ЖК-дисплея к предыдущему экрану.
- P: Кнопка Настройка (Setup)
- Отображает экран Меню настройки (Setup menu). С помощью этого меню можно выполнять обслуживание принтера и изменять его параметры. Также используется для выбора режима ввода.
- Q: Кнопка ФАКС (FAX)
- Переводит принтер в режим факса.
- R: Кнопка Беспроводное подключение (Wireless connect)
- Чтобы задать сведения о маршрутизаторе беспроводной сети в принтере непосредственно со смартфона или другого аналогичного устройства (не выполняя каких-либо действий на маршрутизаторе), удерживайте нажатой эту кнопку.
- S: Индикатор Память факса (FAX Memory)
- Светится, если в памяти принтера хранятся принятые или неотправленные документы.

